| Напряжение, В | 230 |
|---|---|
| Частота тока, Гц |
50 |
| Количество фаз | 1 |
| Потребляемая мощность, кВт | 0,090 |
| Ток, A |
0,42 |
| Производительность по воздуху, м3/час | 1800 |
| Частота вращения, об/мин | 1350 |
| Направление вращения | всасывание |
| Уровень звукового давления на расстоянии 3м, дБ(А) | 52 |
| Масса, кг |
|
| Материал крыльчатки | Сталь |
| Диаметр крыльчатки, мм | 300 |
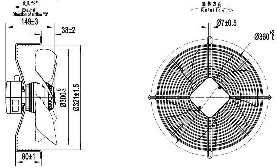
Чертеж:

Кривая по воздуху:







